Envíenos un correo electrónico

Transmisor montado en la pared TKSC

Los transmisores de temperatura y humedad de la serie TKSC están diseñados para el monitoreo de temperatura y humedad del aire interior en varios sistemas de HVAC, sistemas de gestión de energía del edificio, y para aplicaciones como planta industrial, Sala Limpia, laboratorio, sala de máquinas, edificios comerciales, Aeropuerto y escuelas. Están montados en la pared con tornillos.

Obtener una cotización
temp humidity controller
temp humidity controller
temperature and humidity controller with sensor
temp humidity controller
Características
Specifications
Funciones
Vídeo
Descargas

Características del transmisor de temperatura y humedad TKSC

  • Diseño todo en uno de sensor, transmisor

  • Sensores y circuitos digitales de alto rendimiento

  • Medición precisa y compensación de temperatura

  • Estabilidad y fiabilidad confiables a largo plazo

  • 100% sensores cambiables de campo, no es necesario volver a calibrar

  • Respuesta rápida, baja compensación

  • Tamaño pequeño y precio económico

Características del transmisor de temperatura y humedad TKSC

Especificaciones del transmisor montado en la pared TKSC


Fuente de alimentaciónAC24V o DC24V (12V-30V)
PantallaSin pantalla
Rango-40-70 °C, 0-100% RH (sin condensación)
ExactitudHumedad ± 2% RH (0-95%)
Temp ± 0.3% °C (0-50 °C)
Modo de salidaDC. 4 ~ 20mA
DC. 0 ~ 10V
Tiempo de respuesta≤ 15S (velocidad del viento 1 m/s, en aire lento)
EstabilidadHumedad ≤ 1% RH/año, Temp ≤ 0,1 °C/año
MontajeMontaje de pared con tornillos
Entorno DE TRABAJO-10 ~ 60 °C


Funciones del transmisor de temperatura y humedad TKSC

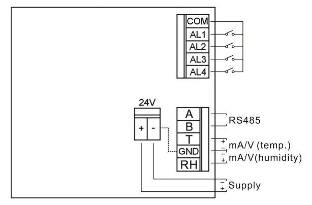
Cableado
Transmisor de humedad de temperatura
Productos
Popular Transmisor de temperatura y humedad Productos
Contáctenos
Tel: +86-512-62527871 Correo electrónico: info@tinkosz.com
Añadir: No.199, Tongyuan Road, SIP, Suzhou 215006, China
Inicia sesión en el boletín
Manténgase al día con las últimas noticias de Tinko
Al inscribirse acepta recibir comunicaciones de Tinko